ホーム > コンテナバッグ > 形状の組み合わせで選ぶ > 耐荷重で選ぶ > アスベスト >(丸型)上部きんちゃく全開排出口タイプ

(丸型)上部きんちゃく全開排出口タイプ

上部きんちゃく全開排出口タイプ

全開投入口と全開排出口で粉砕物の輸送に適するタイプ。

耐荷重

耐荷重1000kg

 

枚数

10枚セット

形状

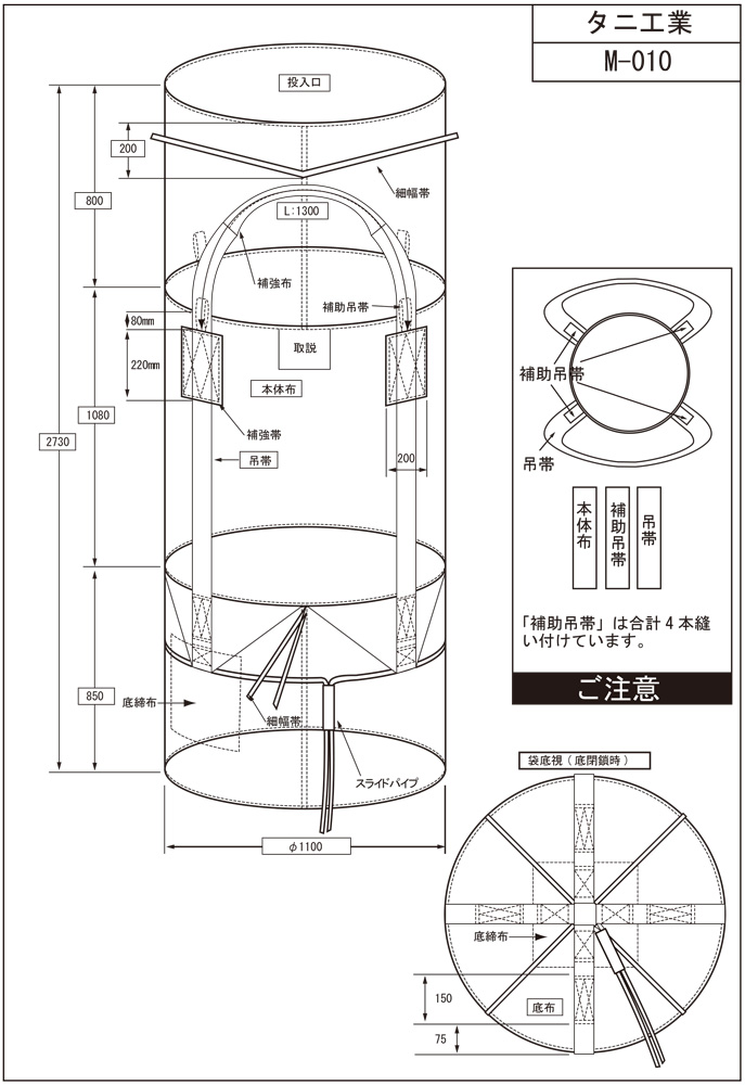
丸型 2点吊り 投入口全開 排出口全開

用途

土木 産業廃棄物 セメント 肥料

商品名とサイズ

商品名 容量(㎥) 直径(φ) 高さ(mm) 排出(φ) 耐荷重(kg) 図面 ご購入は
こちら
対応可能スタンド
M-010 1.0 1,100 1,060 1,100 1,000 図面を見る カート AKF-1AKF-Y1
KT-1MT-950

※こちらの商品は、ネットショップでもご購入いただけます。

還流

スタンド