ホーム > コンテナバッグ > 形状の組み合わせで選ぶ > 耐荷重で選ぶ > アスベスト >(丸型)上部きんちゃく軽量タイプ
耐荷重800kgの軽量物対応タイプ。
産業廃棄物などの用途に最適です。
耐荷重
枚数
形状
用途


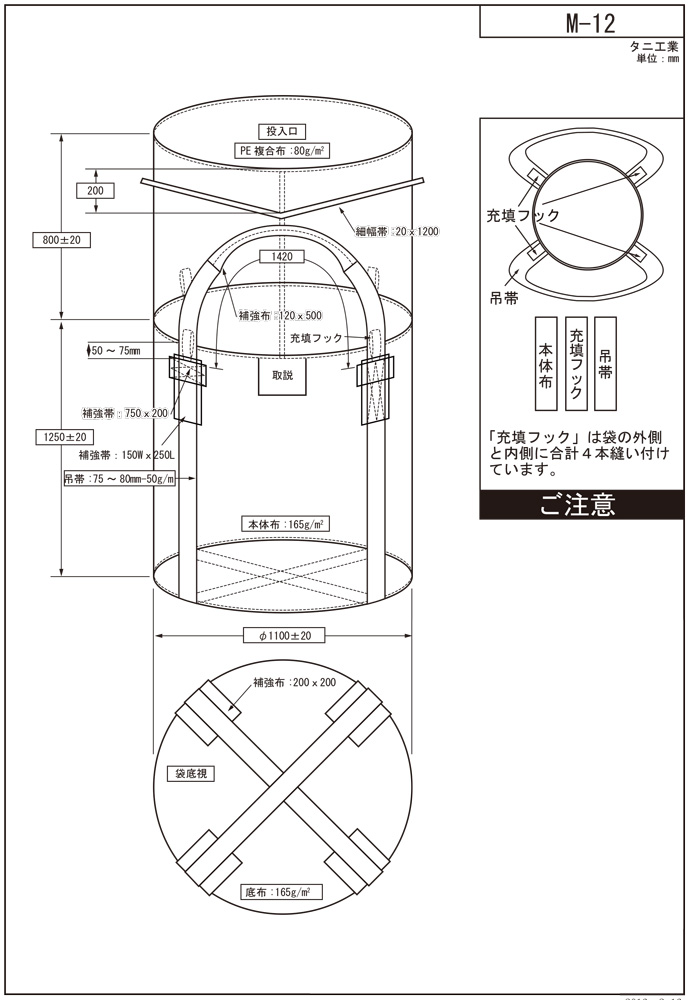
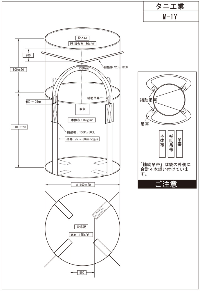
| 商品名 | 容量(㎥) | 直径(φ) | 高さ(mm) | 耐荷重(kg) | 図面 | ご購入は こちら |
対応可能スタンド |
|---|---|---|---|---|---|---|---|
| M-1Y | 1.0 | 1,100 | 1,080 | 800 | ![]() |
AKF-1 AKF-Y1 KT-1 MT-950 |
|
| M-12 | 1.2 | 1,100 | 1,250 | 800 | ![]() |
FM-1 |
※こちらの商品は、ネットショップでもご購入いただけます。